สินค้า
หน้าแรก > สินค้า
สินค้า
LMZK-10 หม้อแปลงกระแส
  • LMZK-10 หม้อแปลงกระแสLMZK-10 หม้อแปลงกระแส
  • LMZK-10 หม้อแปลงกระแสLMZK-10 หม้อแปลงกระแส

LMZK-10 หม้อแปลงกระแส

หม้อแปลงกระแส LMZK-10 จัดหาโดย Welcome (Wenzhou) Electric Co., Ltd. ในประเทศจีน เหมาะสำหรับการวัดกระแสไฟฟ้า การสุ่มตัวอย่างสัญญาณ และการป้องกันไมโครคอมพิวเตอร์ของอุปกรณ์ไฟฟ้าในระบบไฟฟ้ากระแสสลับ 10KV เป็นอุปกรณ์สนับสนุนที่ต้องการสำหรับการจัดซื้อจัดจ้างด้านวิศวกรรมไฟฟ้า

Comewill ในฐานะผู้ผลิตและซัพพลายเออร์ชั้นนำในจีน จัดหาหม้อแปลงกระแส LMZK-10 ให้กับคุณ ซึ่งมีข้อดีหลักๆ เช่น ขนาดกะทัดรัด แกนที่ถอดออกได้เพื่อให้ติดตั้งง่าย และการวัดที่มีความแม่นยำสูงโดยใช้เหล็กซิลิคอนนำเข้า ออกแบบมาเป็นพิเศษสำหรับสวิตช์เกียร์ขนาดกะทัดรัด 10kV

หม้อแปลงกระแส LMZK-10 นี้มีข้อได้เปรียบหลัก เช่น ขนาดเล็ก น้ำหนักเบา สลับได้ และติดตั้งง่าย และเหมาะอย่างยิ่งสำหรับความต้องการในการจัดซื้อสวิตช์เกียร์เครือข่ายวงแหวนหุ้มฉนวนเต็มรูปแบบขนาดกะทัดรัด เหมาะอย่างยิ่งสำหรับการใช้งานร่วมกับอุปกรณ์ปลายทางระยะไกล เช่น RTU และ FTU เพื่อสร้างหน่วยเก็บตัวอย่าง ซึ่งเป็นโซลูชันที่ครอบคลุมและสนับสนุนข้อมูลสำหรับทั้งระบบ หลังจากจัดซื้อและติดตั้งแล้วไม่จำเป็นต้องดัดแปลงสายไฟเดิม สามารถติดตั้งได้โดยตรงบนสายเคเบิลขาเข้าและขาออกที่เชื่อมต่ออยู่ ทำให้การทำงานง่ายและรวดเร็ว ซึ่งช่วยลดต้นทุนการติดตั้งทางวิศวกรรมได้อย่างมาก ปัจจุบัน มีการใช้กันอย่างแพร่หลายในซีรีส์สวิตช์เกียร์เครือข่ายวงแหวนหุ้มฉนวนเต็มรูปแบบขนาดกะทัดรัด เช่น SafeRing/Plus, Uniswitch, RM6/SM6, SVS, GA/GE, FB, SS เป็นต้น และยังเหมาะสำหรับการจัดซื้อและรองรับความต้องการของสถานีย่อยแบบรวม กล่องกระจายสายเคเบิล และอุปกรณ์อื่นๆ

ในแง่ของวัสดุหลักและกระบวนการ หม้อแปลงกระแสไฟฟ้า LMZK-10 ใช้แผ่นเหล็กซิลิคอนที่มีการซึมผ่านสูงนำเข้าคุณภาพสูงเป็นวัสดุแม่เหล็ก ซึ่งมีลักษณะของแกนเหล็กที่ถอดออกได้และการสูญเสียวงจรแม่เหล็กต่ำ เรซินถูกหล่อแบบสุญญากาศภายในเปลือกพลาสติกทนไฟ มีความทนทานต่อความชื้นที่ดีเยี่ยม มีเสถียรภาพ และไม่จำเป็นต้องบำรุงรักษาในภายหลัง ซึ่งตรงตามข้อกำหนดด้านความคุ้มค่าในการซื้อสำหรับการใช้งานในระยะยาว ในระหว่างการติดตั้ง ให้ยึดวงแหวนครึ่งวงกลมทั้งสองไว้บนสายเคเบิลที่แยกเฟส แล้วยึดให้แน่นด้วยแคลมป์เพื่อให้กลมกลืนกับสายเคเบิลได้อย่างลงตัว ทำให้เกิดรูปลักษณ์ที่สวยงามและเข้ากัน ผลิตภัณฑ์นี้เหมาะสำหรับสถานการณ์การจัดซื้อสายเคเบิล 10KV ที่มีข้อกำหนดตั้งแต่ 35 มม. ² ถึง 400 มม. ² ตัวหนีบทำจากวัสดุสแตนเลสคุณภาพสูงซึ่งทนทานและเชื่อถือได้ ไม่มีกระแสไหลวนเกิดขึ้นระหว่างการใช้งาน จึงมั่นใจได้ถึงการทำงานที่ปลอดภัยของอุปกรณ์

ข้อกำหนดทางเทคนิคสำหรับสภาพแวดล้อมการทำงานและการติดตั้ง - หม้อแปลงกระแส LMZK-10

ตัวประกอบกำลังที่ด้านโหลดต้องเป็นไปตาม COS φ=0.8 (แสดงคุณลักษณะฮิสเทรีซิส)
สามารถเลือกกระแสไฟสำรองที่กำหนดได้จากข้อกำหนด 5A หรือ 1A เพื่อตอบสนองความต้องการของระบบไฟฟ้าที่แตกต่างกัน
ช่วงอุณหภูมิสิ่งแวดล้อม: ขีดจำกัดล่างคือ -5 ℃ ขีดจำกัดบนคือ 40 ℃ และอุณหภูมิเฉลี่ยรายวันจะต้องไม่เกิน 30 ℃
ความถี่ในการทำงานที่กำหนดรองรับมาตรฐานทั่วไปสองมาตรฐาน: 50Hz หรือ 60Hz
ระดับความสูงในการติดตั้งอุปกรณ์ควรได้รับการควบคุมที่ 1,000 เมตรหรือต่ำกว่า
ระดับมลพิษเป็นไปตามมาตรฐานระดับ II และเหมาะสำหรับสภาพแวดล้อมทางอุตสาหกรรมทั่วไป

การผลิตและการตรวจสอบผลิตภัณฑ์เป็นไปตามมาตรฐานแห่งชาติ GB20840.1 และ GB20840.2 อย่างเคร่งครัด

ข้อมูลทางเทคนิค

LMZK1

พิมพ์ LMZK1-10C LMZK1-10P LMZK1-10CP
วัตถุประสงค์ การวัดหม้อแปลงกระแสไฟฟ้า หม้อแปลงกระแสป้องกัน หม้อแปลงกระแสขดลวดคู่
อัตราส่วน ระดับความแม่นยำและภาระ (VA) ระดับความแม่นยำและภาระ (VA) ระดับความแม่นยำและภาระการจัดอันดับ (VA)
0.5 1 3 10P15 10P10 10P5 0.5 1 10P10 10P5
50/5

2.5






75/5

2.5

1.5



100/5
2.5


2.5



150/5
2.5

1.5 3.75



200/5 2.5 5

2.5 5



300/5 2.5 5
1.5 2.5 5
2.5
1.5
400/5 5 5
1.5 2.5 5 2.5

2.5
500/5 5 5
2.5 3.75 7.5 2.5

2.5
600/5 5 5
2.5 5 10 2.5

2.5

LMZK2

พิมพ์ LMZK2-10C

LMZK2-10P
LMZK2-10CP
วัตถุประสงค์
การวัดกระแส ป้องกันกระแส กระแสขดลวดคู่

หม้อแปลงไฟฟ้า
หม้อแปลงไฟฟ้า
หม้อแปลงไฟฟ้า
อัตราส่วน
ระดับความแม่นยำและ ระดับความแม่นยำและ ระดับความแม่นยำและภาระจัดอันดับ

จัดอันดับภาระ (VA) จัดอันดับภาระ (VA) (เวอร์จิเนีย)
0.2 0.5 1 10P15 10P10 10P5 0.5 1 10P10 10P5
50/5 2.5
2.5
75/5 2.5 2.5 2
1.5
100/5 2.5 5 2.5 5 2.5 2.5
150/5 2.5 5
2.5 5
2.5 2.5
200/5 3.75 7.5
3.75 7.5
3.75 2.5
300/5 2.5 5 3.75 5 10 2.5 5
2.5
5
400/5 5 7.5 3.75 5 10 5 5
2.5 5
500/5 5 7.5 5 7.5 15 5 5 3.75 7.5
600/5 5 10 5 7.5 15 5 5 3.75 7.5

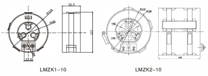
มิติข้อมูลเค้าร่าง


แท็กยอดนิยม: LMZK-10 หม้อแปลงกระแส, จีน, ผู้ผลิต, ผู้จัดจำหน่าย, โรงงาน, ขายส่ง, ปรับแต่ง, มีในสต็อก, ผลิตในประเทศจีน, ราคาต่ำ, คุณภาพ
ส่งคำถาม
ข้อมูลติดต่อ
  • ที่อยู่

    No.777 ถนน Wanweng ตำบล Wengyang เมือง Yueqing เมืองเหวินโจว มณฑลเจ้อเจียง จีน

  • โทร

    +86-15224149953

  • อีเมล

    hannah@comewill.com

ส่งคำถามไปที่ Comewill สำหรับสวิตช์เกียร์ เซอร์กิตเบรกเกอร์สุญญากาศ หม้อแปลงกระแส รับใบเสนอราคาที่กำหนดเอง ราคาต่ำ หรือการสนับสนุนจากผู้เชี่ยวชาญจากทีมงานโรงงานในจีนของเรา
X
เราใช้คุกกี้เพื่อมอบประสบการณ์การท่องเว็บที่ดีขึ้น วิเคราะห์การเข้าชมไซต์ และปรับแต่งเนื้อหาในแบบของคุณ การใช้ไซต์นี้แสดงว่าคุณยอมรับการใช้คุกกี้ของเรา นโยบายความเป็นส่วนตัว
ปฏิเสธ ยอมรับ